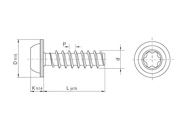
Tornillo REMFORM® II HS™ zincado, cabeza alomada con arandela, TORX PLUS® AUTOSERT®

La mejor solución para las uniones más exigentes sobre plásticos.

Tornillo REMFORM® II HS™ zincado, cabeza alomada con arandela, TORX PLUS® AUTOSERT®
Tornillo REMFORM® II HS™ zincado, cabeza alomada con arandela, TORX PLUS® AUTOSERT®

Descripción del producto

Los tornillos REMFORM® II HS™ (High Strength) se han desarrollado para la unión directa de termoplásticos en aplicaciones con altos requerimientos mecánicos.

La mejora en el diseño de la rosca se traduce en una unión más resistente, segura y optimizada sobre plásticos reforzados; aumenta la resistencia al arranque, al aflojado por vibración y al pasado de rosca.

Además de la referencia indicada en stock, fabricamos productos especiales de acuerdo a sus especificaciones.

Muestras
E-shop
Archivos CAD
Cotización

Referencia

Tu seleccion
Diámetro del tornillo (mm)
2,0
2,5
3,0
3,5
4,0
5,0
6,0
Cerrar
Longitud del tornillo (mm)
8
10
12
16
20
30
Cerrar
Diámetro de la cabeza D (mm)
4,30
5,30
6,30
7,30
8,30
10,50
12,50
Cerrar
Impronta
TORX PLUS® AUTOSERT® 6 IP
TORX PLUS® AUTOSERT® 8 IP
TORX PLUS® AUTOSERT® 10 IP
TORX PLUS® AUTOSERT® 15 IP
TORX PLUS® AUTOSERT® 20 IP
TORX PLUS® AUTOSERT® 25 IP
TORX PLUS® AUTOSERT® 30 IP
Cerrar
Referencia
28HS87PA
258HS87PA
38HS87PA
310HS87PA
312HS87PA
3512HS87PA
412HS87PA
416HS87PA
420HS87PA
520HS87PA
620HS87PA
630HS87PA
Diámetro del tornillo (mm)
2,0
2,5
3,0
3,0
3,0
3,5
4,0
4,0
4,0
5,0
6,0
6,0
Longitud del tornillo (mm)
8
8
8
10
12
12
12
16
20
20
20
30
Diámetro de la cabeza D (mm)
4,30
5,30
6,30
6,30
6,30
7,30
8,30
8,30
8,30
10,50
12,50
12,50
Impronta
TORX PLUS® AUTOSERT® 6 IP
TORX PLUS® AUTOSERT® 8 IP
TORX PLUS® AUTOSERT® 10 IP
TORX PLUS® AUTOSERT® 10 IP
TORX PLUS® AUTOSERT® 10 IP
TORX PLUS® AUTOSERT® 15 IP
TORX PLUS® AUTOSERT® 20 IP
TORX PLUS® AUTOSERT® 20 IP
TORX PLUS® AUTOSERT® 20 IP
TORX PLUS® AUTOSERT® 25 IP
TORX PLUS® AUTOSERT® 30 IP
TORX PLUS® AUTOSERT® 30 IP
12 / 12 referencias

Dimensionado de agujeros

Para asegurar la correcta fijación del tornillo es muy importante tener en cuenta el diseño de los manguitos. Consulte las recomendaciones para el diámetro del agujero y longitud de engarce en Herramientas de Diseño. Ir a las herramientas de diseño
https://www.celofasteners.com/img/cms/category-products/plastic/boss-design-plastic.jpg

Aplicaciones

Los tornillos REMFORM® II HS™ son recomendaos en aplicaciones en materiales termoplásticos con requerimientos mecánicos elevados que requieren: Alta resistencia al arranque. Alta resistencia al aflojado por vibraciones.

¿Necesita más información acerca de este producto?

Solicitar más información