TAPTITE 2000® Schrauben, Gewinde, Linsenkopf, TORX PLUS® AUTOSERT®, CORFLEX® N™

Verzinkte TRILOBULAR® TAPTITE 2000® Schrauben, die optimale gewindefurchende Schraube für Leichtmetallverbindungen.

TAPTITE 2000® Schrauben, Gewinde, Linsenkopf, TORX PLUS® AUTOSERT®, CORFLEX® N™
TAPTITE 2000® Schrauben, Gewinde, Linsenkopf, TORX PLUS® AUTOSERT®, CORFLEX® N™

Produktübersicht

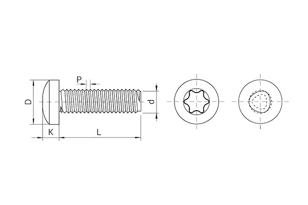
TAPTITE 2000® Die trilobularen gewindefurchenden TAPTITE 2000® Schrauben screws bieten zahlreiche Möglichkeiten zur Kostenreduzierung bei der Montage, erübrigen das Gewindeschneiden und bieten hervorragende mechanische Eigenschaften. Der TRILOBULAR® Querschnitt verbessert den Gewindefurchprozeß und verstärkt die Verbindung in gebohrten oder gegossenen Löchern in Aluminium oder Leichtmetallen.

Zusätzlich zu den angegebenen Artikeln fertigen wir spezielle Schrauben nach Ihren Vorgaben.

Muster
3D CAD Daten
Preis anfordern

Artikelnummer

Filter
Schraubendurchmesser (mm)
3,0
4,0
5,0
6,0
Schließen
Schraubenlänge (mm)
6
8
12
16
10
Schließen
Kopfdurchmesser D (mm)
6,00
8,00
10,00
12,00
Schließen
Antrieb
TORX® T10
TORX® T20
TORX® T25
TORX® T30
Schließen
Artikelnummer
36NT85T
38NT85T
312NT85T
316NT85T
48NT85T
410NT85T
412NT85T
416NT85T
510NT85T
512NT85T
612NT85T
Schraubendurchmesser (mm)
3,0
3,0
3,0
3,0
4,0
4,0
4,0
4,0
5,0
5,0
6,0
Schraubenlänge (mm)
6
8
12
16
8
10
12
16
10
12
12
Kopfdurchmesser D (mm)
6,00
6,00
6,00
6,00
8,00
8,00
8,00
8,00
10,00
10,00
12,00
Antrieb
TORX® T10
TORX® T10
TORX® T10
TORX® T10
TORX® T20
TORX® T20
TORX® T20
TORX® T20
TORX® T25
TORX® T25
TORX® T30
11 / 11 Zurück zur Übersicht

Designrichtlinien für den Einschraubdom

Um eine sichere Montage und eine stabile Klemmkraft zu gewährleisten, ist es wichtig, auf das Design des Einschraubdoms zu achten. Die empfohlenen Abmessungen für Kernlochdurchmesser und Eingriffslänge finden Sie unter Konstruktionsrichtlinien. Gehen Sie zu Designrichtlinien
https://www.celofasteners.com/img/cms/category-products/metal/boss-design-metal.jpg

Anwendungsbeispiele

TAPTITE 2000® Schrauben sind speziell für die Verbindungen bei Stahl und Leichtmetallen konzipiert mit: Bauteilen, die ein geringes Gewindedrehmoment erfordern. Tragenden Bauteilen, die eine hohe Zugfestigkeit erfordern. Bauteilen, die eine hohe Dichtheit erfordern.
https://www.celofasteners.com/img/cms/products/taptite2000-screw-application.jpg

Haben Sie noch weitere Fragen zum Produkt?

Weite Informationen